ДонНТУ Магистры ДонНТУ

Автобиография Pеферат Отчет о поиске Ссылки Индивидуальное задание
< В библиотеку

SIMULINK- МОДЕЛЬ СОЛНЕЧНОГО МОДУЛЯ ПОВЫШЕННОЙ НАДЕЖНОСТИ

Филь Е.А.

Тезисы докладов Всеукраинской научно-технической конференции молодых ученых, "Электромеханические системи, методы моделирования и оптимизации" Севастополь, 17 – 20 апреля 2006 р.


    Работа посвящена моделированию преобразователя солнечной энергии в электрическую с применением коммутируемых аппаратов для повышения надежности работы схемы.       Актуальность темы обусловлена широким применением кремниевых фотоэлементов и потребностью их бесперебойной работы в установке ( солнечном модуле).
     В настоящее время применение солнечной энергии широко используется как альтернативный источник. Поэтому появляется необходимость в безаварийной работе схемы. Солнечный модуль, состоящий из последовательно-параллельно соединенных кремниевых пластин, не имеет надежного режима работы. Как показал опыт его эксплуатации, при повреждении изоляции одного из параллельно включенных элементов модуля, все другие элементы оказываются закороченными нерабочим элементом. А также при обрыве цепи одного из последовательно включенных элементов модуля, весь модуль становится разомкнутым.
     Цель настоящей работы – создать виртуальную Simulink-модель солнечного модуля и проверить возможность подключения коммутируемых аппаратов для повышения надежности работы модуля.
     Для достижения этой цели решены задачи:
     - выбрана исследуемая схема работы экспериментальной установки и модели;
     - были установлены зависимости между параметрами исследуемого солнечного модуля (входящего в состав солнечной электростанции СЭС-СА1-250) и математической моделью, реализованной в Mathlab-Simulink;
     - были сняты экспериментальные данные солнечной установки;
     - создана математическая модель для проверки теоретических зависимостей.

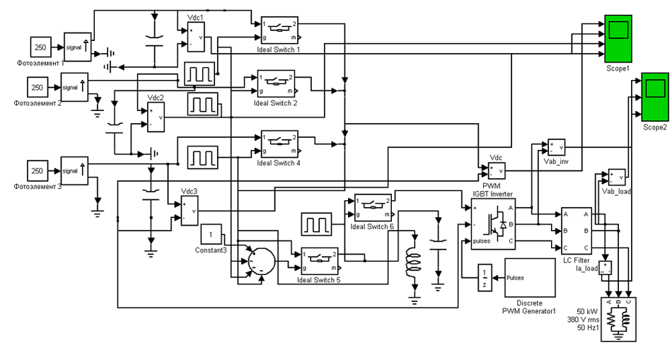
Рисунок 1 - Simulink- модель солнечного модуля


     Устройство состоит из солнечных элементов, конденсаторов – накопителей энергии единичного элемента, коммутатора, содержащего совокупность ключей,общего накопительного конденсатора и управляемого ключа, которым передается энергия на вход инвертора. Схема работает следующим образом. При облучении солнечного элемента образуется ток, который заряжает конденсатор – накопитель этого элемента. Т.о. в течении некоторого времени в накопителе собирается энергия, выработанная единичным элементом. Периодически эта энергия с помощью коммутатора передается в общий накопительный конденсатор. Поочередно происходит подключение коммутатором каждого элемента к общему накопителю. Поэтому при выходе из строя одной из ячеек не нарушается процесс получения энергии в модуле. В результате повышается надежность преобразования энергии.
     Запасенная в накопительном конденсаторе энергия передается в электрическую систему диспетчером или системой автоматики.
     Благодаря описанному выше способу отбора энергии от элемента солнечной установки, может быть повышена надежность преобразования энергии и отдачи ее потребителю.


< В библиотеку
ДонНТУ Магистры ДонНТУ

Автобиография Pеферат Отчет о поиске Ссылки Индивидуальное задание