| Ссылки | Автобиография | ДонНТУ | Магистратура ДонНТУ | Отчет о поиске | Реферат |
Шевельский Александр Юрьевич
В библиотекуАвтоматизація технологічних об’єктів та процесів. Пошук молодих. Збірник наукових праць VI Міжнародної науково-технічної конференції аспірантів та студентів в м. Донецьку 24-27 квітня 2006р. – Донецьк: ДонНТУ, 2006. – С.191
Анализ пожаров в шахтах на ленточных конвейерах показывает, что возгорание конвейерных лент возможно от двух групп источников пожара: внешних источников, которые образуются при возгорагии шахтного деревянного крепления, угля или других горючих предметов при пребывании конвейера в зоне горения, и источников расположенных на конвейерах, что образуются при работе последних, в основном от трения ленты на барабанах, неисправных роликоопорах и тому подобное [1].
Все эти проблемы могут быть решены лишь в случае использования принципиально новых технических решений аппаратуры автоматизации. Однако даже самая современная аппаратура автоматизации АУК.2М [2] не обеспечивает контроля теплового режима работы конвейера, и соответствующую коррекцию его работы. Поэтому актуальным является создание такого устройства, которое было бы концентратором информации о тепловом режиме работы ленточных конвейеров, как мест опаснейших по возникновению очагов пожара. А поскольку прямое измерение температуры приводного барабана является проблематичным, а главной причиной возникновения возгорания на конвейере являются именно пробуксовка конвейерной ленты на приводному барабане, что вызывает ее трение, то и главным контролируемым параметром должна быть именно пробуксовка ленты.
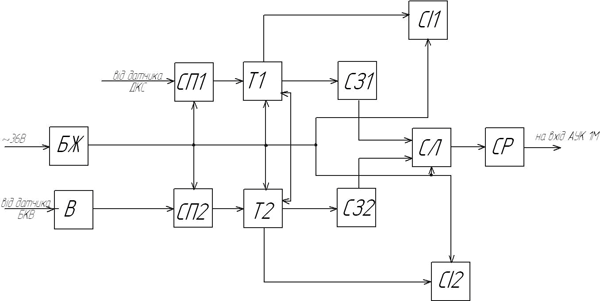
Для решения этого вопроса необходимо разработать устройство, которое контролировало бы степень пробуксовки ленты, мог применяться вместе с базовой аппаратурой АУК.1М и предоставлял соответствующую технологическую информацию. На основании выдвинутых требований разработана структурная схема устройства контроля пробуксовки ленты (УКП), которая приведена на рис.1 [3].

Рисунок 1 – Структурная схема УКП
Как видим на рисунке 1, в состав разрабатываемого устройства входят следующие блоки: СП1 и СП2 - схемы преобразования сигнала; В - выпрямитель; БП - блок питания; СЗ1 и СЗ2 - блоки схем задержки; СР - блоки схем развязки; СІ1 и СІ2 - блоки световой индикации; Т1 и Т2 - блоки триггеров; СЛ - блок схемы логики.
Работа схемы заключается в следующем. Сигнал от датчика ДКС поступает на блок СП1, где аналоговый сигнал превращается в цифровой. Дальше сигнал поступает на триггер Т1, работа которого определяется работой триггера Т2. Дальше сигнал поступает на схему задержки СЗ1 и на схему логики СЛ. Индикация о работе канала скорости от датчика ДКС осуществляется с помощью светодиода СИ1. Сигнал от датчика БКВ поступает на блок СП2, где аналоговый сигнал превращается в цифровой. Дальше сигнал поступает на триггер Т2, работа которого определяется работой триггера Т1. Дальше сигнал поступает на схему задержки СЗ2 и на схему логики СЛ. Индикация о работе канала скорости от датчика ДКС осуществляется с помощью светодиода СИ2. Следовательно, триггеры Т1 и Т2 роботают в согласительном режиме. Из триггера Т1 поступают тактовые импульсы, которые являются синхронизирующими для работы триггера Т2 и наоборот, что предусмотрено для того, чтобы при рассогласовании скоростей движения ленты и вращения приводного барабана конвейера подать команду на выключение конвейера из работы.
Таким образом, на СЛ поступают два сигнала по двум каналам от датчиков скорости, где происходит сравнение сигналов. При отсутствии сигнала на одном из каналов на выходе схемы логики СЛ появится сигнал на выключение схемы развязки, которая в свою очередь подаст сигнал на выключение привода конвейера в АУК-1М.
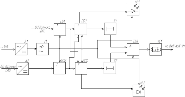
На основе разработанной структурной схемы, разработали функциональную схему устройства, которая приведена на рис.2 [3].

Рисунок 2 - Функциональная схема УКП
Функциональная схема разрабатываемого устройства состоит из следующих элементов: А1 и А2 - выпрямители; Z1 - фильтр высоких частот; DD1, DD2 и DD5 - схемы логики; DD3, DD4 - триггеры; Т1 и Т2 - схемы задержки; HL1 и HL2 - световая индикация; VL1 - диодная оптопара.
Работа функциональной схемы заключается в следующем. Сигнал от датчика ДКС поступает на логическую схему DD1, где аналоговый сигнал превращается в цифровой. Дальше сигнал поступает на триггер DD3, работа которого определяется работой логической схемы DD2. Дальше сигнал поступает на схему задержки Т1 и на схему логики на DD5. Индикация о работе канала скорости от датчика ДКС осуществляется с помощью светодиода HL1. Сигнал от датчика БКВ поступает на выпрямитель А2, а затем на DD2, где аналоговый сигнал превращается в цифровой. Дальше сигнал поступает на триггер DD4, работа которого определяется работой сигнала от схемы на DD1. Дальше сигнал поступает на схему задержки Т2 и на схему логики на DD5. Индикация о работе канала скорости от датчика БКВ осуществляется с помощью светодиода HL2.
Таким образом, триггеры DD3 и DD4 роботают в согласительном режиме. Из схемы логики DD1 поступают тактовые импульсы, которые являются синхронизирующими для работы триггера DD4 и наоборот - из схемы логики DD2 поступают тактовые импульсы, которые являются синхронизирующими для работы триггера DD3, что предусмотрено для того, чтобы при рассогласовании скоростей движения ленты и вращения приводного барабана конвейера подать команду на выключение конвейера .
Дальше на DD5 поступает два сигнала по двум каналам от датчиков скорости, где происходит сравнение сигналов. При отсутствии сигнала по одному из каналов на выходе схемы логики DD5 появится сигнал на выключение схемы развязки на VL1, которая в свою очередь подаст сигнал на выключение привода конвейера в АУК.1М.
Таким образом, определили требования к устройству контроля пробуксовки ленточного конвейера, и, в соответствии с ними, разработали структурную, и функциональную схемы устройства. Данное устройство повышает качественные и надёжностные показатели системы управления, обеспечивает безопасность эксплуатации ленточных конвейеров и увеличивает производительность работы конвейерной линии.
К преимуществам данного прибора можно отнести: простоту и дешивизну реализации данного устройства; возможность плавной настройки УКП на нужный порог срабатывания; возможность контролировать состояние одного из главных технологических параметров конвейерной установки; возможность работы вместе с базовой аппаратурой автоматизации.
Перечень ССылок
1.Борьба с пожарами на ленточных конвейерах в шахтах. - Г.: Углетехиздат, 1959;
2.Справочник по автоматизации шахтного конвейерного транспорта/ Стадник Н.И. и др. - К.: Техника, 1992;
3.Николайчук О.И. Системы малой автоматизации. - Г.: Салон-Пресс, 2003
| Перечень ссылок | ДонНТУ | Портал магистров ДонНТУ | Реферат | Автобиография | Индивидуальное задание | Отчет о поиске | Электронная библиотека |