Abstract
Summary on the topic of the final work
This work is an abstract and a preliminary review on the topic of the final work
The contents
- Introduction
- 1. Relevance of the topic
- 2. The purpose and objectives of the study, the planned results
- 3. Arc breakdown
- 3.1 Sources of arc breakdown
- 3.2 Types of arc breakdown
- 3.3 The principle of operation
- 4. Developments in DonNTUA
- 4.1 Wavelet transform
- 4.2 Analysis of the discrete wavelet transform
- Conclusion
- References
Introduction
With the development of technological progress, the emergence of new technologies, the creation of devices, technology, as well as globalization and the general availability of new gadgets leads to a continuous increase in electric energy consumption.
Now it is not surprising that modern people have devices that require constant charging more than sockets in an apartment or house. Usually it's a phone, tablet, wireless headphones, smart watches, and if it's a couple or a family with a child, and if he's still an adult, then the total number of gadgets more than doubles. This leads to the use of carriers, tees, etc., or a special charger that allows you to charge not one or two, but a whole device at once. As a rule, everything is put on charge in the evening or the night before going to bed until the morning. Not to mention such equipment as a washing machine, a water heater, a kettle, a TV, a computer, a laptop, a refrigerator, etc.
All this clearly shows how much the share of electricity consumption by the population has increased over the past ten to twenty years.
All this creates an excessive load on the electrical wiring of the building, house, apartment. Especially when the wiring is not designed for such a level of electrical energy consumption.
Fires in buildings are one of the most dangerous and widespread threats. It mainly occurs due to the actions or inaction of the owners, residents who use old appliances, extension cords and overload the network.
1. Relevance of the topic
If you study the materials provided by the Ministry of Civil Defense, Emergencies and Disaster Management of the Russian Federation, it becomes clear that the main cause of fires due to electricity is:
1) damage to the power grid, especially electrical wiring;
2) damage to electrical equipment.
According to the Ministry of Emergency Situations of Russia, in 2021, 390,859 fires occurred in our country, as a result of which 8,473 people were killed and 8,403 people were injured.
The most common cause of fires in buildings is the emergency operation of electrical networks and equipment, by the end of 2021, the emergency operation of electrical networks and equipment caused 62.9% of fires in buildings of educational institutions, 63.0% – in buildings of health and social services, 38.0% – in residential buildings.
To protect the electrical network with a voltage of 0.4 kV, such devices are used:
1) AV switch, a switching device designed to protect against overload and short-circuit currents.
2) GFCI is a protective shutdown device, a device for switching the network from leakage currents.
3) AVDT is a difautomat, a switching device that combines AV and RCD in one device, performing the same functions.
4) UZDP (UZIs) is an arc breakdown protection device or an intrinsically protective device, a new generation of protective devices created on the basis of the material, technical and scientific base of modernity.
As a phenomenon, the fact of sequential and parallel arc breakdown has been known for a long time. However, it was not possible to create a device capable of detecting serial and parallel arc breakdown, recognizing the arc and responding quickly enough.
If you look at AB, RCD, AVDT, then, in general, it is a mechanical device that depends on changes in the flowing current or voltage. In turn, the USDP depends on the electronic board and the program.
Only in recent decades, with the development of programming and the use of microprocessors, it has become possible to create such a device.
For the first time, the development of AFDD began in the USA in the last century. The reason for this was a large number of fires as a result of an electrical fault.
The result of the work was the creation of a system:
1) AFD (arc foul detection unit) - electric arc fault detection unit;
2) AFCI (arc circuit breaker-malfunction) - electric arc circuit breaker;
3) AFDD (arc fault detection device) is a device for detecting arc faults[9][15][16][17][18].
When this device proved its effectiveness, in 2002 it began to be introduced in Canada, and a little later in Europe. Now this practice has reached us.
An interstate standard was formed - GOST IEC 62606-2016 "Protective devices for home and similar use in spring breakdowns". Since July 1, 2018, GOST has been adopted in the Russian Federation as a national standard[13].
Based on the decree of the legislation of the Russian Federation dated March 1, 2024, UZDP is subject to installation at a new construction site, during reconstruction, overhaul and operation of electrical installations of buildings of dormitories, dormitories, educational organizations, educational organizations with boarding schools, preschool educational organizations, specialized homes for the elderly and disabled, dormitories of children's recreation organizations and health improvement, medical organizations designed to carry out medical activities.
In addition, UZDP are mandatory for new construction of apartment buildings with a height of more than 50 m and apartment buildings with an area of more than 150 m[13].
On the Russian market, you can find devices such as
1) The UZDP model manufactured by JSC Ecotech, which has successfully passed the tests for compliance with GOST IEC 62606-2016. The tests were conducted voluntarily in the laboratory of the VNIIPO testing center of the Ministry of Emergency Situations of Russia;
2) UZDP Meander from the Meander company;
3) EKF GFCI, created on the basis of AFDD technology;
4) GFCI-ELTA-2D is a multifunctional device manufactured by JSC Elektroautomat, combining in one housing the functions of a spring failure protection device (GFCI), a surge protection device (GFCI) and an automatic switch.
Despite the fact that many variants of spring breakage protection devices have been created that perform their function, this technology is relatively young and does not have a sufficient service life.
The technologies on the basis of which the UZDS were created are developing. It is possible to improve the possibilities of preventing false alarms and malfunctions, improve methods for determining spring rupture, distinguish a spring from a conventional spark, increase the range, etc.
2. The purpose and objectives of the study, the planned results
The purpose of the work is to create an arc breakdown protection device based on the wavelet transform model, to eliminate the possibility of false positives.
To complete the task, you need to go through the following steps:
- Choose a method for determining the arc – a method based on the wavelet transform was adopted.
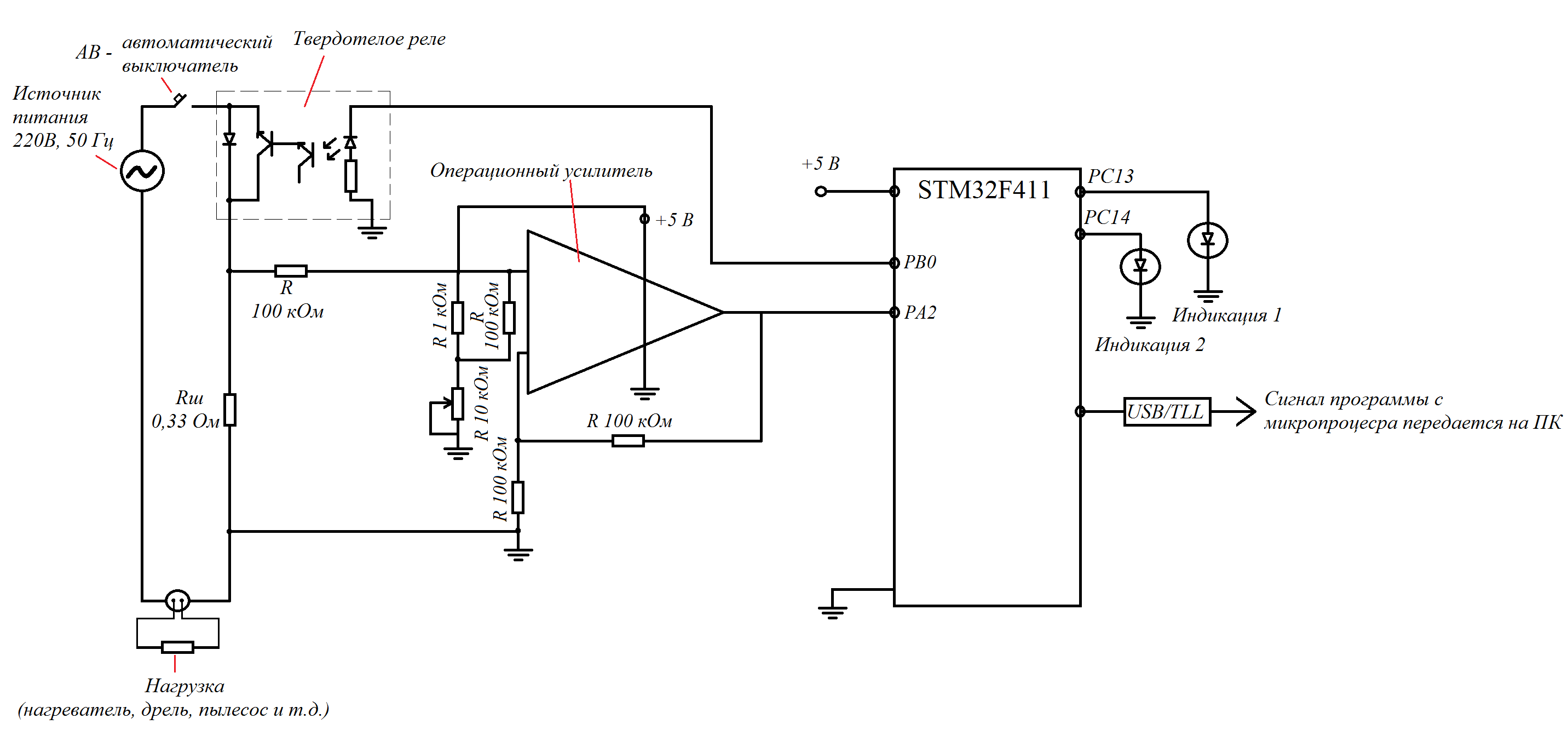
- Writing a program. It was decided to use the Rust language To transfer data about the operation of a program in the STM32F411 microprocessor written in Rust to Matlab.
- Debugging and correcting the program.
- Creating a fully working model.
3. Arc breakdown
An arc breakdown is a dangerous phenomenon that poses a threat to humans and the electrical system in particular. An arc breakdown occurs when the conductors are located at the closest possible distance or when the contact breaks. At this point, a spark occurs and the process of current flowing through the air begins, which forms an arc.
The temperature of the arc can reach large values, the insulation melts, its carbonation begins, and combustible materials ignite[1].
Charred (carbonized) insulation becomes a conductor, and this significantly increases the risk of arc amplification or its recurrence.
There are many patents, various USDA options for purchase, but there is very little information on their work, and there is almost no free access. There are many articles describing the principle of operation, showing the comparative characteristics of various types of switches (AV, GFCI, AVDT, UZDP) according to their ability to turn off during emergency network operation.
The specifics of why and how UZDP works are a trade secret that neither manufacturers nor scientific institutes reveal.
3.1 Sources of arc breakdown
The causes of a spark, an arc in a 0.4, 0.22 kV switchgear are:
1)emergency operation (Network overload, breakage, overvoltage);
2)insulation damage:
а) wear, aging; :
b) mechanical damage due to shocks, vibration, hammered nail, screw, pinching of a wire with a heavy object and etc.
3) environmental factor (moisture, dampness, high temperature)
4) poor or weakened contact
5) Use of old, substandard or defective electrical equipment[2][3].
It is impossible to avoid the occurrence of an arc, a spark.
The arc occurs at the moment of rupture, connection of the contact. This can be easily seen when using an electric at the moment of connection, disconnection of the electrical plug of the device, a spark appears, sometimes quite strong.
So is the keyboard light switch. During its operation, there is sometimes a spark in it.
3.2 Types of arc breakdown
The arc breakdown is divided into two types:
1) parallel arc breakdown;
2) sequential arc breakdown;
A parallel arc breakdown occurs when two live conductors come into contact due to insulation damage. In this case, an electric arc is formed, which gradually turns the insulation into carbon. With over time, the process begins to accelerate, the amount of charred insulation increases, the value of the current in the arc increases and a fire starts.
There are two types of parallel arc breakdown: between the phase wire and the neutral (zero) and between the phase and the wire grounding.
With a parallel breakdown, the ignition start time and the moment of appearance of the first arc can be very short, and the current the current passing through the machine is not high enough for instant shutdown. At the same time, the delay time is triggered by the machine enough to start a fire.
A parallel arc breakdown of the "phase – ground" type will be fixed and disabled using RCD, AVDT or UZDP, AV is likely it will work the same way.
A parallel arc breakdown of the "phase – zero" type of RCD will not work, AV and AVDT must turn off the network, but this happens It doesn't always work.
According to its function, the phase closure with a neutral circuit breaker should work and disconnect the circuit, but since the short-circuit currents of the 220 V network usually do not exceed 500A, then the switch is triggered with a delay, and the fire has already started.
A sequential arc breakdown occurs at the moment of rupture of the contact connection of one conductor (phase). For example, a loose contact in the outlet, switch at the moment of rupture, a spark (arc breakdown) or a breakage of one the guide.
At this point, the current flowing through the damaged wire is limited by the load, and these are quite small currents, even there is less properly functioning network, there is also no differential current. This leads to the fact that neither automatic the switch, neither the RCD, nor the AVDT are violations in the network. Only the UZDP can detect a sequential arc breakdown and turn it off net[4][5][7].
3.3 The principle of operation
In general terms, arc breakdown protection devices work on the basis of constant monitoring of all processes, changes occurring in the protected area of the network.
As is known, the load of the household network is a sinusoid of current and voltage 220V, 50 Hz.
Based on this model, it is easy to detect an arc breakdown, but this is an ideal model of an ideal network and load, which in reality almost never happens.
Starting from power plants, transferring electricity to consumers, its quality deteriorates. Voltage losses, not phase load symmetry, which causes non-voltage symmetry, the operation of electric motors, such as a washing machine, switching power supplies, switching on and off consumers, etc.
There are many reasons and it is impossible to exclude all of them. GOST standards have been developed that should maintain quality electricity within a certain time frame for the proper operation of the network.
The current characteristic of each electrical device individually or a group of devices also has a great influence. In this case, the current sine wave will be radically different from the ideal one and even look like an arc breakdown signal. Not considering the devices that arc the normal mode for their operation (electric drill, especially the old model).
This makes it difficult to detect an arc breakdown[6][8].
To create an effective device, it is necessary to eliminate unnecessary noise and determine the presence of an arc breakdown due to a fairly short period of time before the start of the fire.
4. Developments in DonNTU
The first developments on the creation of the "Spark protection device – electrical contact connection" and "Protection of an electric mine shaft with a voltage of up to 1000 V from sparking in power contact connections" in DonNTU since 2010. As a result of the work, protection options were proposed in certain areas[10][11].
The current development is partly a receiver of new developments, but is based on completely different principles.
The work is based on the principle of the wavelet transform, on which a new 0.22 kV network protection is built.
4.1 Wavelet transform
The wavelet transform is a mathematical method that decomposes a signal into its frequency components in different the scale. This allows you to analyze signals with both time and frequency information. In this context, the wavelet transform is used to analyze the current curve (or signal) in order to identify patterns and features that may indicate the presence of a malfunction.
Analysis by the wavelet transform method includes the following steps:
1) data collection. Measurement of the current signal from a power line or substation.
2) Preprocessing. Signal filtering to remove noise and harmonics.
3) Wavelet decomposition. Application of the wavelet transform to a preprocessed signal with its decomposition into approximation (rough) and detailed (precise) components at different scales.
4) Wavelet coefficients such as:
a) energy density. Measures the energy content at each scale.
b) spectral entropy. Measures the uncertainty or randomness of a signal.
b) the speed of crossing zero. Measures the number of crossings of the zero signal.
The advantage of the Wavelet transform method is that it allows you to obtain both time and frequency information, which makes It is effective for detecting faults that occur within a short period of time, as well as determining sequential failures, which is difficult to do with traditional methods[6].
4.2 Analysis of the discrete wavelet transform
The iterative process of analyzing a signal within a set of DWT filters is called multi-resolution analysis (MRA). In the first stage of decomposition, the signal enters a low-pass filter (LPF) specific to a specific function scaling of the main wavelet. Approximation coefficients (ca) can be obtained after convolution of signal samples with the coefficients of the transfer function of the low-pass filter g and the downsampling by 2 times, i.e. the initial length The data vector is halved[1].
where gk are the parameters of the LF filter, k is the order of the filter coefficient ( and accepts both negative and positive values), n is the point number of the processed signal, j is the level of the wavelet transform (decomposition). To obtain the detail coefficients (cd) of the signal at the first decomposition level, it must be entered into high-frequency filter h, specific to the wavelet function, and collapse its samples with the parameters of the transfer function filter, also then reducing the sampling by 2 times (Fig. 2.)[1].
where hk are the parameters of the RF filter.
At the second level of decomposition, the approximation coefficients obtained at the first stage will be processed in the same way in the same way as when processing the input signal to obtain the coefficients ca and cd[1].
The existence of such a set of filters depends on two types of functions, which are the scaling function and a wavelet function specific to certain types of mother wavelets[1].
Figure 8 – The graph of the wavelet transform of the spark current curve in the drill
Figure 9 – Circuit breaker spark current curve
Figure 10 – Graph of the wavelet transform of the circuit breaker spark current curve
Figure 11 – The spark current curve of the weakened socket contact
Figure 12 – Graph of the wavelet transform of the spark current curve into sockets
Conclusion
Arc breakdown is a dangerous phenomenon that can bring both material and human sacrifice, and it is impossible to avoid it, no matter how hard we try.
There are two types of breakdown:
1) parallel arc breakdown;
2) sequential arc breakdown.
Parallel arc breakdown can detect, in most cases, all currently known and used protective switching devices (circuit breaker, RCD, AVDT, UZDP).
A sequential arc breakdown is dangerous because it can be determined only with the help of a USDP – an arc protection device breakdown.
Protective devices used in our country, and these are circuit breakers, RCD and AVDT – mechanical switching devices based on the change in the magnitude of the flowing current. UZDP is a microprocessor device that
constantly studies and analyzes the processes taking place in the network. What makes it fundamentally different from other protective ones devices.
Arc breakdown protection devices proved their effectiveness back in the late 90s. Centuries have passed, significantly reducing the number of fires due to faulty wiring (meadow breakdown).
The software has not yet been fully finalized, there are false positives and other problems. The process of its development is still it continues and in the future they will get better, and the number of errors and problems is less.
References
- Метод идентификации последовательного дугового пробоя на основе дискретного вейвлет-алгоритма / И.А. Бершадский, А.Ю. Гладков, А.В. Згарбул, С.В. Шлепнёв, А.Д. Мых - Электротехнические системы и комплексы. 2023. № 4(61). С. 76-81.
- О БЛАГОПРИЯТНОМ ВЛИЯНИИ НПА В ОБЛАСТИ ПРИМЕНЕНИЯ AFCI ТЕХНОЛОГИЙ НА ПОЗИТИВНЫЙ ТРЕНД ПО БОРЬБЕ С ЭЛЕКТРИЧЕСКИМИ ПОЖАРАМИ/Валуев П.В., Смирнов М.И., Королев И.В. - Студенческий: электрон. научн. журн. 2019. № 1(45).
- Устройства защиты от дугового пробоя /Артём Егоров - «Рынок Электротехники», № 3, 2021 г. с. 28-34.
- Испытания устройства защиты от дугового пробоя и искровых промежутков на срабатывание/Ерашова Ю.Н., Ившин И.В., Ившин И.И., Тюрин А.Н. - Известия высших учебных заведений. ПРОБЛЕМЫ ЭНЕРГЕТИКИ. 2021. Т. 23. № 3. С. 168- 180. doi:10.30724/1998-9903-2021-23-3-168-180.
- Харламенков А.С. Целесообразность применения устройств защиты от дугового пробоя /Харламенков А.С. - Пожаровзрывобезопасность/Fire and Explosion Safety. 2021. Т. 30. № 2. С. 117-122.
- Перевод статьи - Оценка оптимальных параметров дискретного вейвлет-преобразования для обнаружения дуговых неисправностей в низковольтных электросетях жилых зданий=Discrete Wavelet Transform optimal parameters estimation for arc fault detection in low-voltage residential power networks/Pan Qi,Jinmi Gregory Lezama Calvo,Slavisa Jovanovic,Patrick Schweitzer. - перевод. - Днецк 2024. с.25
- КОРОЛЕВ И.В. Моделирование срабатывания УЗДП в электрических сетях 0,4 кВ/ КОРОЛЕВ И.В., ВАЛУЕВ П.В., БУРДЮКОВ Д.А. - «ЭЛЕКТРОЭНЕРГИЯ. ПЕРЕДАЧА И РАСПРЕДЕЛЕНИЕ» № 6(57), НОЯБРЬ-ДЕКАБРЬ 2019
- УЗДП – Андрей Бондик.Устройства защиты от дугового пробоя/Андрей Бондик - АВВ September 14, 2021/
- Liping Wang. Virtual Testbed on Evaluating Automated Fault Detection and Diagnostic (AFDD) Algorithms for Common Faults of a Single Duct VAV System August/Liping Wang. Majid Karami. - Conference: Building Simulation 2017At: San Francisco, California, USA 2017.
- Защита электрической шахтной сети напряжением до 1000 В от искрения в силовых контактных соединениях/Ковалев А.П., Нагорный М.А., Соленый С.В., Демченко Г.В. - Донецк: Взрывозащищенное электрооборудование. 2010. № 1. С. 109-115.
- Математические моделирование системы Устройство искрозащиты - электрическое контактное соединение/ Солёный С.В., Ковалёв А.П., Демченко Г.В. - Наукові праці Донецького національного технічного університету. Серія: Електротехніка і енергетика. 2011. № 11 (186). С. 374-380.
- Методические рекомендации по организации профилактики пожаров от электрооборудования в жилых и общественных зданиях с применением технических средств: Методические рекомендации. – М.: ВНИИПО, 2022 – 66 с.
- ГОСТ IEC 62606-2016. Межгосударственный стандарт. Устройства защиты бытового и аналогичного назначения при дуговом пробое Общие требования. Arc fault detection devices for household and similar use. General requirements МКС 29.120.50.- Москва Стандартинформ 2017. - 133 с.
- Test and analysis system for action characteristics of arc fault detection device/SU Jingjing, XU Zhihong,-Conference: 2018 3rd International Conference on Intelligent Green Building and Smart Grid (IGBSG) vol. 39, no. 10, 2019. - 194-200pp.
- Zhenhua Xie.Design of Test System for Arc Fault Detection Device Based on High Frequency Coupling/ Zhenhua Xie, Wanhai Wu, Liwei Du, Kefeng Yuan, Liang Du. - 2022 8th International Conference on Control, Automation and Robotics (ICCAR). - 144 р.
- Xin Ning. Lightweight Low-Voltage AC Arc-Fault Detection Method Based on the Interpretability Method/Xin Ning , Dejie Sheng,Tianle Lan Tianle Lan,Wenbing He - Electronics 2024,13, 2662 - 19p.
- Jianli Lin. A Novel Non-intrusive Arc Fault Detection Method for Low-Voltage Customers/ Jianli Lin, Wenpeng Luan, Bo Liu. - 2021 6th Asia Conference on Power and Electrical Engineering (ACPEE). - 358 р.
- Gab-Su Seo. Series arc fault detection method based on statistical analysis for dc Microgrids/Gab-Su Seo, Jung-Ik Ha, Bo-Hyung Cho, Kyu-Chan Lee. - 2016 IEEE Applied Power Electronics Conference and Exposition (APEC). - 624 р.







